8 (925) 663-83-63Call-центр
пн-вс: 10:00-19:00
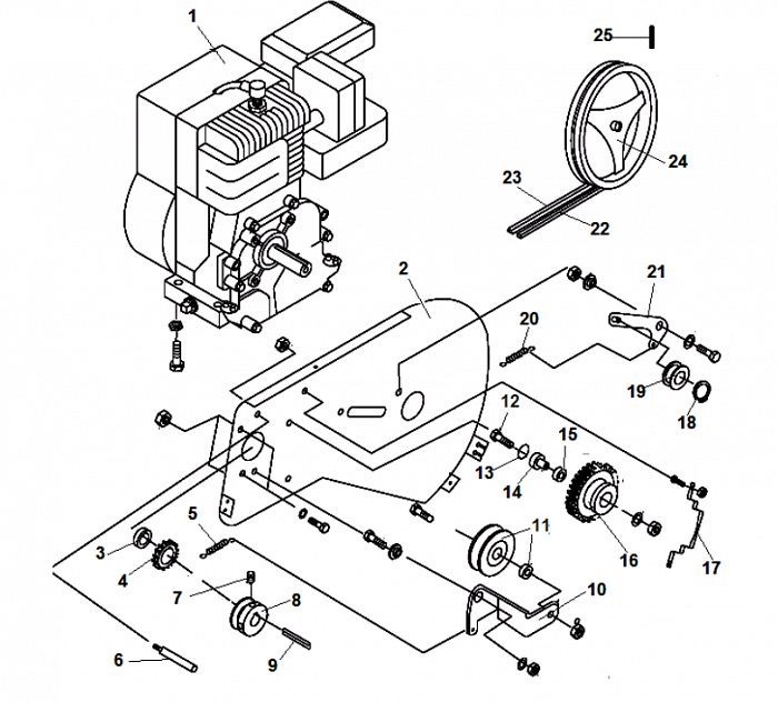
| N | Артикул | Название | Срок отгрузки | Цена | Купить |
| 1 | GX160 | Двигатель | 5-7 рабочих дней | – | |
| 2 | 802026 | Боковой лист кожуха ремня | 5-7 рабочих дней | 1.638 р. | |
| 3 | 801033 | Шайба шестерни | 5-7 рабочих дней | – | |
| 4 | 804025 | Шестерня заднего хода маленькая | 5-7 рабочих дней | 173 р. | |
| 5 | 801066 | Пружина кронштейна | 5-7 рабочих дней | 60 р. | |
| 6 | 801046 | Ограничитель ремня | 5-7 рабочих дней | – | |
| 7 | 801018 | Винт крепления шкива | 5-7 рабочих дней | – | |
| 8 | 807010 | Шкив ремня (двигатель) | 5-7 рабочих дней | 487 р. | |
| 9 | 801065 | Шпонка коленвала | 5-7 рабочих дней | 35 р. | |
| 10 | 802028 | Кронштейн ролика натяжения | 5-7 рабочих дней | 298 р. | |
| 11 | 804024 | Ролик натяжения ремня переднего | 5-7 рабочих дней | 311 р. | |
| 12 | 801004 | Болт крепления шестерни | 5-7 рабочих дней | – | |
| 13 | 801056 | Кольцо стопорное | 5-7 рабочих дней | – | |
| 14 | 801034 | Втулка шестерни заднего хода | 5-7 рабочих дней | 86 р. | |
| 15 | 801069 | Подшипник шестерни заднего хода | 5-7 рабочих дней | 213 р. | |
| 16 | 804064 | Шестерня заднего хода | 5-7 рабочих дней | 888 р. | |
| 17 | 802030 | Скоба ограничительная | 5-7 рабочих дней | 119 р. | |
| 18 | 801014 | Кольцо стопорное | 5-7 рабочих дней | – | |
| 19 | 804015 | Ролик натяжения ремня заднего хода | 5-7 рабочих дней | 238 р. | |
| 20 | 801067 | Пружина кронштейна ролика | 5-7 рабочих дней | 65 р. | |
| 21 | 802080 | Кронштейн ролика натяжения ремня | 5-7 рабочих дней | 178 р. | |
| 22 | 807006 | Ремень переднего хода | 5-7 рабочих дней | 738 р. | |
| 23 | 807015 | Ремень заднего хода М37 (L-925мм, b-10мм), CHAMPION(IGP) 807015 | 5-7 рабочих дней | 491 р. | |
| 24 | 804007 | Шкив ремня (редуктор) | 5-7 рабочих дней | 1.408 р. | |
| 25 | 801050 | Шпонка шкива редуктора | 5-7 рабочих дней | 39 р. |
| Найдено товаров: 25 |
|
8 (925) 663-83-63 Call-центр
пн-вс: 10:00-19:00
| Введите номер заказа |
| Введите номер своего заказа, что бы узнать его текущий статус. Что бы получить доступ к расширенным функциям, пройдите не сложную регистрацию. Зарегистрироваться |